Requirement for drum shaft extension: drawing No. with “-S” as postfix refers to double shaft extension (e.g. 100A108Y (Z)-S); drawing No. without “-S” as postfix refers to single shaft extension.
Requirement for drum surface: all are cast rubber surface. Drawing No. with “Y” as postfix refers to right-direction herringbone, with “Z” as postfix refers to left-direction herringbone, with “YZ” as postfix refers to diamond shape (omissible).





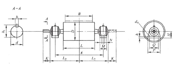
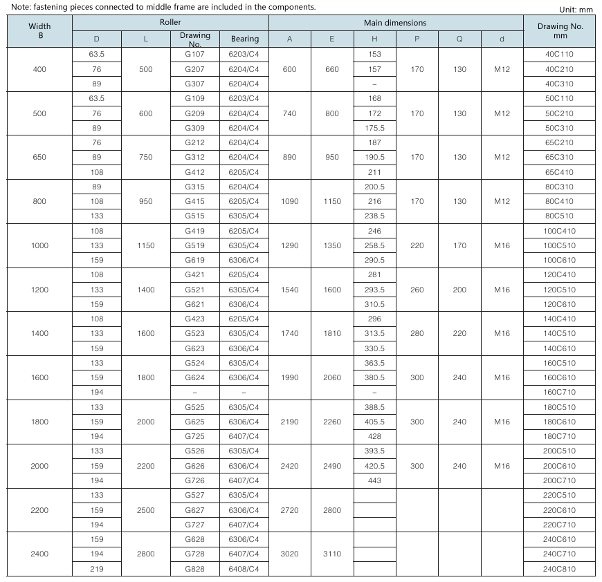
II. Bend drum
Requirement for drum surface: drawing No. with “G” as postfix refers to smooth face drum; drawing No. without “G” as postfix refers to rubber face drum.








III. Carrying idler
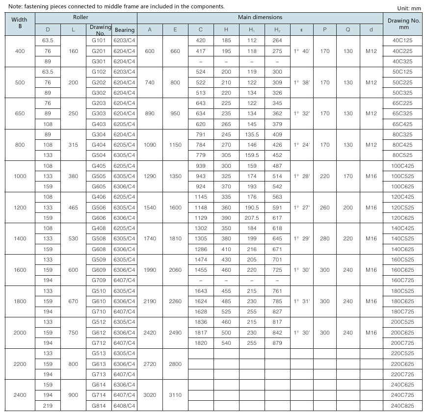
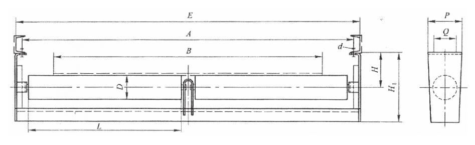
3.1 35° trough idler


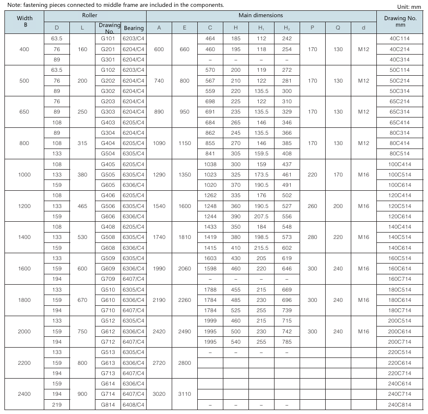
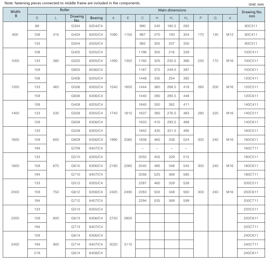
3.2 45° trough idler


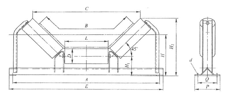
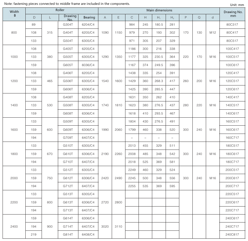
3.3 35° forward-tilt trough idler


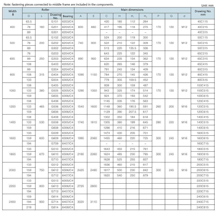
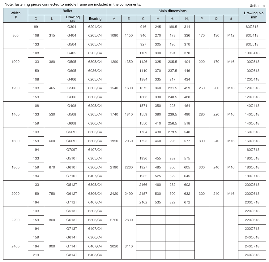
3.4 45° forward-tilt trough idler


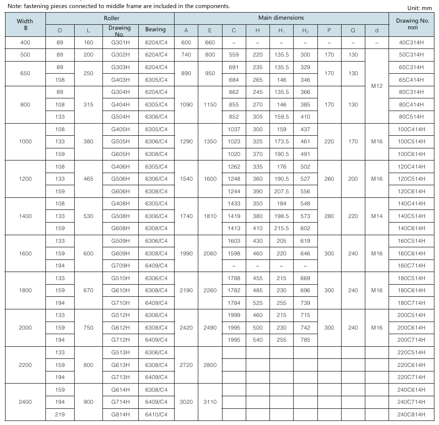
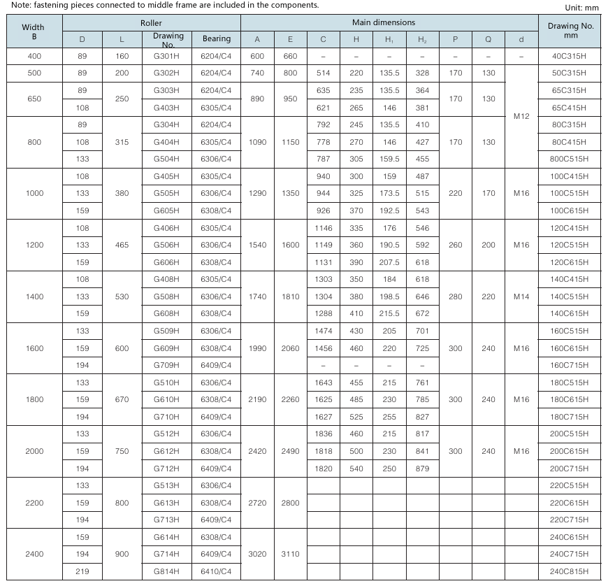
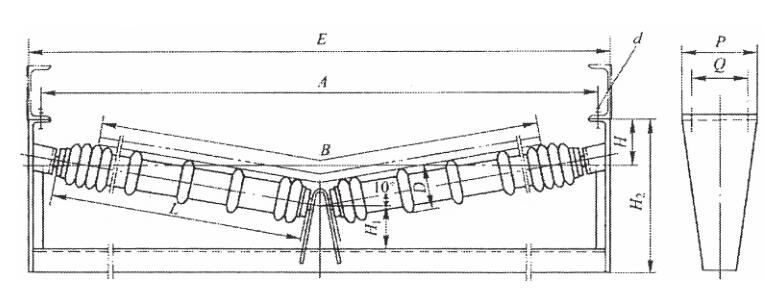
3.5 10° transition idler


3.6 20° transition idler


3.7 30° transition idler


3.8 10°, ±5°transition idler with adjustable trough angle


3.9 20°, ±5°transition idler with adjustable trough angle


3.10 35° buffer idler


3.11 45° buffer idler


3.12 Upper parallel idler


3.14 Upper friction self-aligning idler


3.15 Upper taper self-aligning idler


3.16 Upper friction flat self-aligning idler


IV. Return idler
4.1 Lower parallel idler


4.2 V-shaped lower idler


4.3 V-shaped forward-tilt lower idler


4.4. Parallel comb idler


4.5 V-shaped comb idler


4.6 Inversed V-shaped idler


4.7 Screw idler


4.8 Lower friction self-aligning idler


4.9 Lower taper self-aligning idler


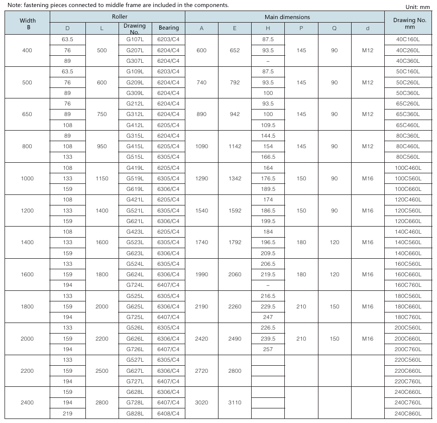
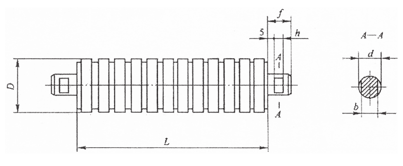
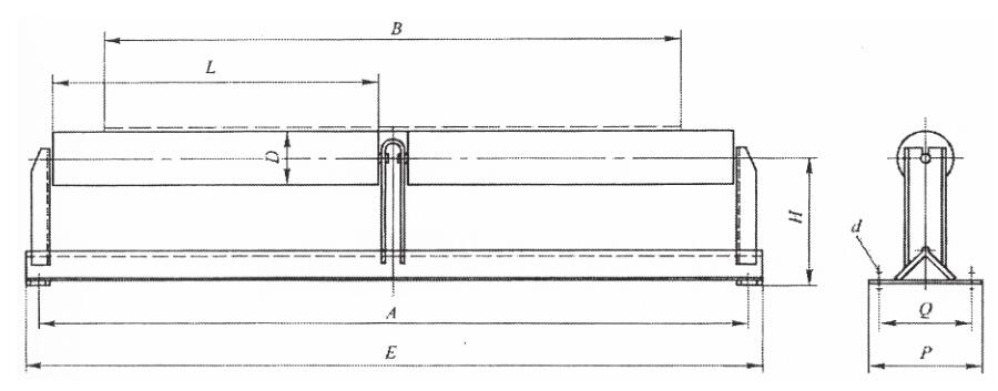
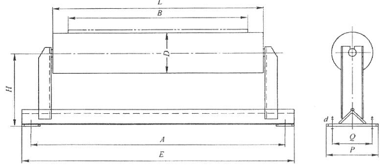
V. Roller of idler
5.1 General-type roller



5.2 Buffer roller



5.3 Comb roller



5.4 Screw roller

